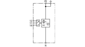
DEHNgap
- Capacità di scarica 100 kA (10/350 µs)
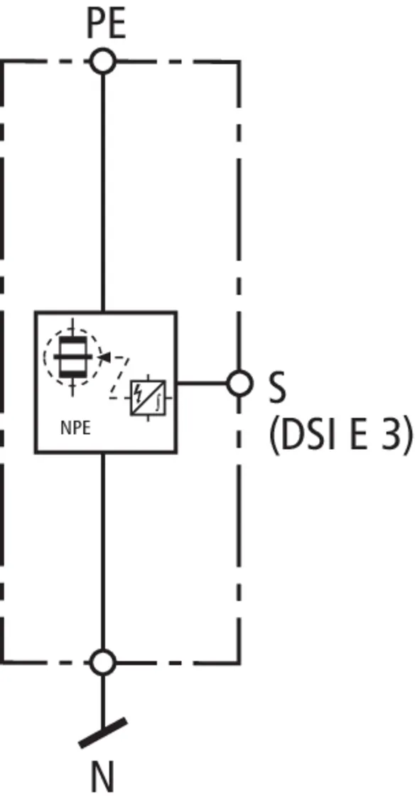
- Scaricatore di corrente sommatoria, specialmente adatto per l'impiego nella rete TT nel circuito 3+1 e 1+1, secondo CEI CLC/TS 61643-12 (IEC 60364-5-534) e la variante V2 della CEI 64-8, tra il conduttore neutro N ed il conduttore di protezione PE
- Tecnologia di spinterometro autoestinguente
- Indicazione di funzionamento / guasto tramite marcatura verde / rossa nella finestrella
Dettagli
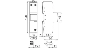
Art. 961101 DGP M 255
GTIN (EAN) 4013364118676, Codice doganale (EU): 85363030, Peso lordo: 331.00 g, UM: 1.00 pz.
PredecessoreCaratteristiche tecniche
| SPD secondo EN 61643-11 / ... IEC 61643-11 | Tipo 1 / Classe I |
| Tensione massima continuativa AC (UC ) | 255 V (50 / 60 Hz) |
| Corrente impulsiva di fulmine (10/350 µs) (Iimp ) | 100 kA |
| Livello di protezione (UP ) | ≤ 1,5 kV |
| Omologazioni | VDE, KEMA, UL |
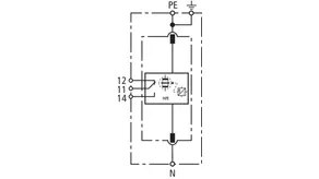
Art. 961105 DGP M 255 FM
GTIN (EAN) 4013364118683, Codice doganale (EU): 85363030, Peso lordo: 336.00 g, UM: 1.00 pz.
PredecessoreCaratteristiche tecniche
| SPD secondo EN 61643-11 / ... IEC 61643-11 | Tipo 1 / Classe I |
| Tensione massima continuativa AC (UC ) | 255 V (50 / 60 Hz) |
| Corrente impulsiva di fulmine (10/350 µs) (Iimp ) | 100 kA |
| Livello di protezione (UP ) | ≤ 1,5 kV |
| Omologazioni | VDE, KEMA, UL |
| Contatto FM / forma contatto | scambio pulito |
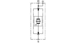
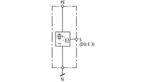
Art. 900050 DGPM 1 255 S
GTIN (EAN) 4013364107496, Codice doganale (EU): 85363090, Peso lordo: 539.00 g, UM: 1.00 pz.
Caratteristiche tecniche
| SPD secondo EN 61643-11 / ... IEC 61643-11 | Tipo 1 / Classe I |
| Tensione massima continuativa AC (UC ) | 255 V (50 / 60 Hz) |
| Corrente impulsiva di fulmine (10/350 µs) (Iimp ) | 100 kA |
| Livello di protezione (UP ) | ≤ 2,5 kV (comprensivo di 80 cm di collegamento) |
| Controllo del funzionamento | tramite DEHNsignal DSI E 3 |
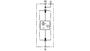
Art. 961180 DGPM 1 255
GTIN (EAN) 4013364157323, Codice doganale (EU): 85363090, Peso lordo: 460.00 g, UM: 1.00 pz.
Caratteristiche tecniche
| SPD secondo EN 61643-11 / ... IEC 61643-11 | Tipo 1 + Tipo 2 / Classe I + Classe II |
| Tensione massima continuativa AC (UC ) | 255 V (50 / 60 Hz) |
| Corrente impulsiva di fulmine (10/350 µs) (Iimp ) | 100 kA |
| Livello di protezione (UP ) | ≤ 1,5 kV |
| Omologazioni | KEMA |
Art. 961185 DGPM 1 255 FM
GTIN (EAN) 4013364157330, Codice doganale (EU): 85363090, Peso lordo: 460.00 g, UM: 1.00 pz.
Caratteristiche tecniche
| SPD secondo EN 61643-11 / ... IEC 61643-11 | Tipo 1 + Tipo 2 / Classe I + Classe II |
| Tensione massima continuativa AC (UC ) | 255 V (50 / 60 Hz) |
| Corrente impulsiva di fulmine (10/350 µs) (Iimp ) | 100 kA |
| Livello di protezione (UP ) | ≤ 1,5 kV |
| Omologazioni | KEMA |
| Contatto FM / forma contatto | scambio pulito |
Art. 961160 DGPM 440
GTIN (EAN) 4013364116290, Codice doganale (EU): 85363030, Peso lordo: 415.00 g, UM: 1.00 pz.
Caratteristiche tecniche
| SPD secondo EN 61643-11 / ... IEC 61643-11 | Tipo 1 / Classe I |
| Tensione massima continuativa AC (UC ) | 440 V (50 / 60 Hz) |
| Corrente impulsiva di fulmine (10/350 µs) (Iimp ) | 100 kA |
| Livello di protezione (UP ) | ≤ 2,5 kV |
| Omologazioni | UL |
Art. 961165 DGPM 440 FM
GTIN (EAN) 4013364116306, Codice doganale (EU): 85363030, Peso lordo: 418.00 g, UM: 1.00 pz.
Caratteristiche tecniche
| SPD secondo EN 61643-11 / ... IEC 61643-11 | Tipo 1 / Classe I |
| Tensione massima continuativa AC (UC ) | 440 V (50 / 60 Hz) |
| Corrente impulsiva di fulmine (10/350 µs) (Iimp ) | 100 kA |
| Livello di protezione (UP ) | ≤ 2,5 kV |
| Omologazioni | UL |
| Contatto FM / forma contatto | scambio pulito |
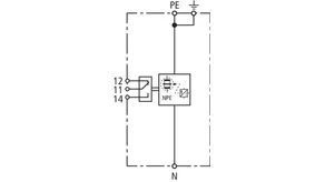
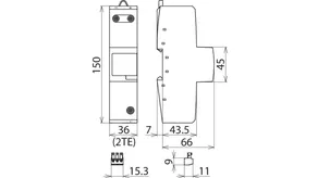
Art. 961102 DGPH M 255
GTIN (EAN) 4013364118690, Codice doganale (EU): 85363030, Peso lordo: 300.00 g, UM: 1.00 pz.
PredecessoreCaratteristiche tecniche
| SPD secondo EN 61643-11 / ... IEC 61643-11 | Tipo 1 / Classe I |
| Tensione massima continuativa AC (UC ) | 255 V (50 / 60 Hz) |
| Corrente impulsiva di fulmine (10/350 µs) (Iimp ) | 100 kA |
| Livello di protezione (UP ) | ≤ 4 kV |
