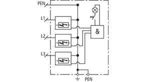
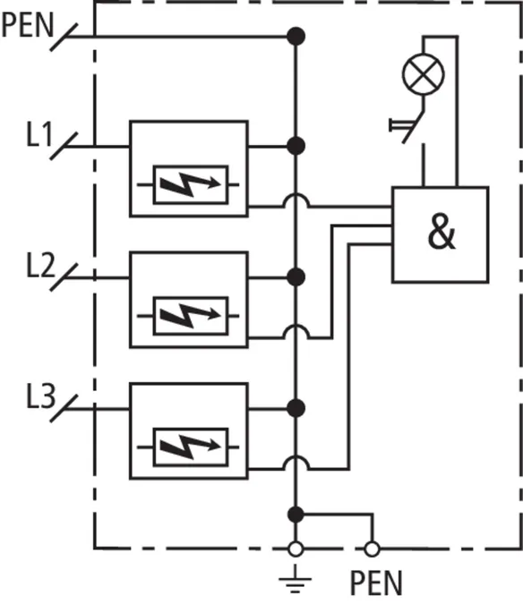
DEHNventil ZP
- Scaricatore combinato Tipo 1 + Tipo 2 con tecnologia spinterometrica RADAX-Flow
- Soddisfa pienamente i requisiti in accordo alla direttiva di applicazione tedesca VDE-AR-N 4100 per l'impiego a monte del contatore
- Montaggio semplice e rapido tramite aggancio sul sistema di distribuzione a barre da 40 mm
- Controllo del funzionamento tramite pulsante con indicazione luminosa
- Selettivo verso fusibili da 20 A gG con correnti di corto circuito fino a 25 kAeff
- Capacità di scarica fino a 100 kA (10/350 µs)
- Permette la protezione di utenze finali
- Offre un'elevata affidabilità dell'impianto
Dettagli
Art. 900390 DV ZP TNC 255
GTIN (EAN) 4013364105751, Codice doganale (EU): 85363090, Peso lordo: 957.00 g, UM: 1.00 pz.
PredecessoreCaratteristiche tecniche
| SPD secondo EN 61643-11 / ... IEC 61643-11 | Tipo 1 + Tipo 2 / Classe I + Classe II |
| Tensione continuativa massima AC (UC ) | 255 V (50 / 60 Hz) |
| Corrente impulsiva di fulmine (10/350 µs) [L1+L2+L3-PEN] (Itotal ) | 75 kA |
| Corrente impulsiva di fulmine (10/350 µs) [L-PEN] (Iimp ) | 25 kA |
| Livello di protezione (UP ) | ≤ 1,5 kV |
| Fusibile di protezione max. fino a ICC = 25 kAeff | 315 A gG |
| Omologazioni | VDE |
Art. 900391 DV ZP TT 255
GTIN (EAN) 4013364105768, Codice doganale (EU): 85363090, Peso lordo: 1.08 kg, UM: 1.00 pz.
PredecessoreCaratteristiche tecniche
| SPD secondo EN 61643-11 / ... IEC 61643-11 | Tipo 1 + Tipo 2 / Classe I + Classe II |
| Tensione continuativa massima AC (UC ) | 255 V (50 / 60 Hz) |
| Corrente impulsiva di fulmine (10/350 µs) [L1+L2+L3+N-PE] (Itotal ) | 100 kA |
| Corrente impulsiva di fulmine (10/350 µs) [L-N] (Iimp ) | 25 kA |
| Corrente impulsiva di fulmine (10/350 µs) [N-PE] (Iimp ) | 100 kA |
| Livello di protezione [L-N] (UP ) | ≤ 1,5 kV |
| Livello di protezione [N-PE] (UP ) | ≤ 1,5 kV |
| Fusibile di protezione max. fino a ICC = 25 kAeff | 315 A gG |
| Omologazioni | VDE |
